中空旋转平台|重负载旋转平台|高精度减速机|精密减速机|巴普曼

ZH-CN 关闭
查找产品 快速选型

-   高精度微型减速机

BPMCG-S系列高精度微型减速机

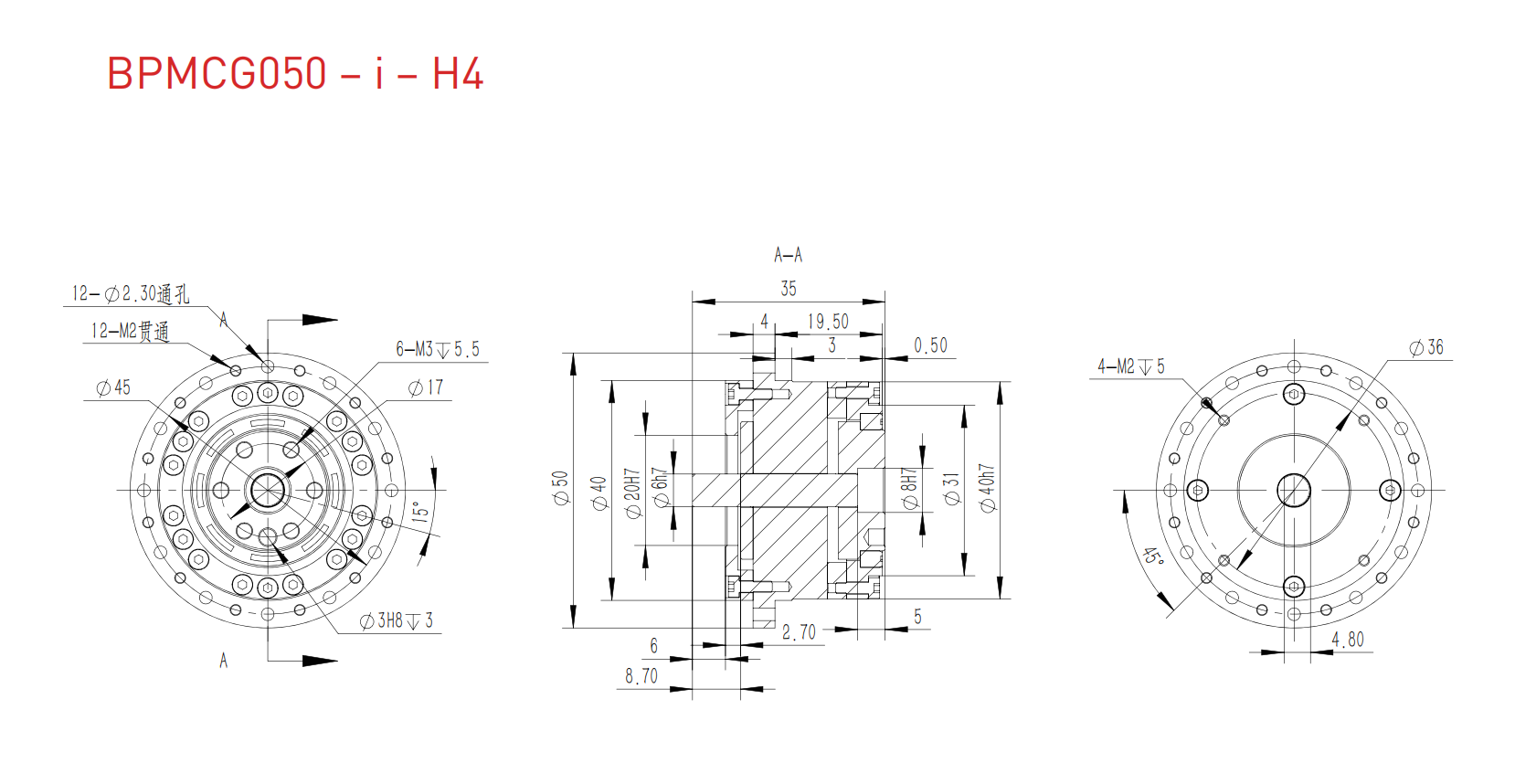
结构尺寸

使用选型工具快速选型

您是否想了解更多?

如需要了解更多CAD数据或3D模型,请直接与我们BUPERMANN联系:

技术参数单位BPMCG030SBPMCG050SBPMCG070SBPMCG080SBPMCG110SBPMCG140SBPMCG160S
减速比i15, 21, 5121, 4111, 31, 51, 81, 9111, 31, 51, 8121, 31, 51, 81, 10125, 31, 51, 81, 12121, 31, 81, 121
额定输出扭矩Nm101580100125250350
加速和制动扭矩Nm2030160200250500700
容许紧急制动扭矩Nm30452403003808001050
额定输入转数rpm3000300030003000300030003000
容许最大输入转数rpm6000600060006000550045004000
倾覆刚度Nm/arcmin9136565130300450
扭矩刚度Nm/arcmin1.52.110.010.018.050.075.0
最大径向力KN0.60.82.52.55.58.510.9
最大轴向力KN0.81.03.33.37.111.014.3
平均角度传递误差arcsec±30±30±20±20±20±20±15
精度arcminP0≤1
P1≤3
P2≤5
P0≤1
P1≤3
P2≤5
P0≤1
P1≤3
P2≤5
P0≤1
P1≤3
P2≤5
P0≤1
P1≤3
P2≤5
P0≤1
P1≤3
P2≤5
P0≤1
P1≤3
P2≤5
转动惯量10⁻⁴kg·m²0.20.33.15.26.21665
重量Kg0.080.180.450.982.184.667.50

欢迎随时联系我们

如果您对我们的产品解决方案有任何疑问,我们的客户支持团队将在第一时间为您提供帮助。我们的专家很乐意为您服务。

请选择您的需求类型
请选择您的行业
请输入您的应用
请输入您的姓名
请输入您的电话
请输入您的电子邮箱
请输入您的需求

更多相关的高精度微型减速机

BPMCG-S系列高精度微型减速机

BPMCG-S系列高精度微型减速机

减速比
11~121
额定扭矩
10~350
精度
P0×1~P2×5 arcmin
额定输入转数
3000~3000 rpm
径向力
0.6~10.9 KN

结构尺寸

查看产品
BPMCG-H系列高精度微型减速机

BPMCG-H系列高精度微型减速机

减速比
21-121
额定扭矩
110~160
额定输入转数
3000 rpm
最大径向力
4000~6500n
精度
P0≤1~P2≤5

结构尺寸

查看产品
BPMCG-F系列高精度微型减速机

BPMCG-F系列高精度微型减速机

减速比
11 ~ 121
10 ~ 350
180~277000
额定输入转数
3000 rpm
最大径向力
0.6 ~ 10.9 KN
精度
P0≤1、P1≤3、P2≤5

结构尺寸

查看产品

专业:您理想的合作伙伴

我们针对每一种需求,提供正确的选型计算。但是,我们希望您亲自体验:筛选、配置并设计驱动系统,一切皆有可能

减速机快速选型

我们针对每一种需求,提供正确的软件。但是,我们希望您亲自体验:筛选、配置并设计驱动系统,一切皆有可能 —— 只需几下点击.

进一步了解和使用我们的选型工具

3D模型和图纸下载

我们针对每一种需求,提供正确的软件。但是,我们希望您亲自体验:筛选、配置并设计驱动系统,一切皆有可能 —— 只需几下点击.

进一步了解和使用我们的选型工具

您有关于我们减速机的疑问吗?

请与我们联系!